重庆铝产业开发投资集团有限公司
重庆铝产业开发投资集团有限公司
九心归一·龙行天下
招商热线
:
023-65820033
首页
公示公告
招标信息
监督举报
当前位置:
网站首页
>
公示公告
> 招标信息
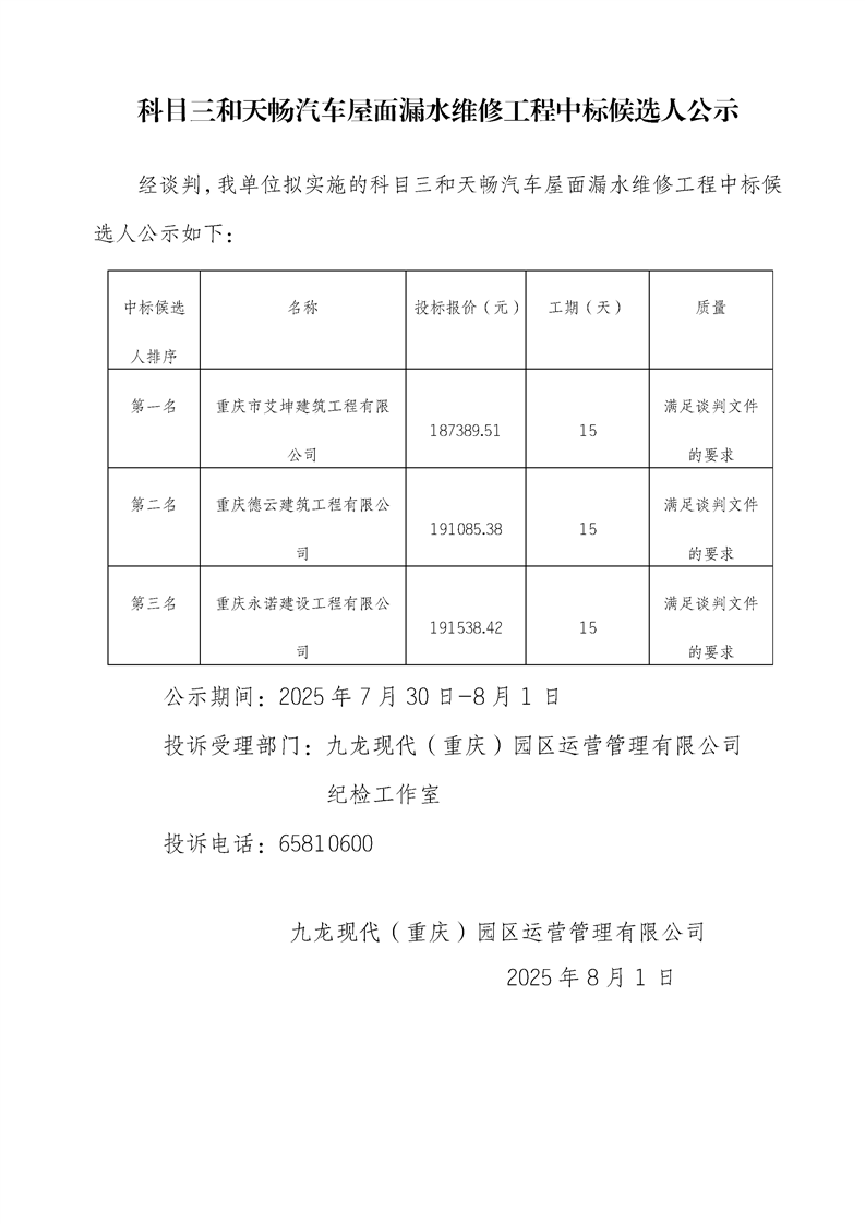
科目三和天畅汽车屋面漏水维修工程中标候选人公示
重庆九龙现代产业发展集团有限公司
http://cqjlcyjt.com
2025年7月30日
1
18
3590
/gsgg/news/2025-7/18_3590.shtml
上一条:
九龙坡区大溪河全域综合治理工程项目—J39-7/04地块..
下一条:
西部(重庆)科学城黄磏港仓储及配套设施建设项目—..
【
推荐给好友
】 【
打印
】 【
大
中
小
】 【
关闭
】
监督举报须知
×
一、受理举报范围
1、集团管辖范围内的党组织、党员违反政治纪律、组织纪律、廉洁纪律、群众纪律,工作纪律、生活纪律等党的纪律和国家法律法规的行为;
2、集团管辖范围内的党员对党纪处分或者纪委所作的其他处理不服,提出的申诉;
3、对集团党风廉政建设和反腐败工作的意见建议;
4、其他依照规定应当受理的违规违纪行为。
二、监督举报方式
1、举报电话:
023-65810600
2、举报邮箱:
jlcyjtjw@163.com
3、来信来访地址:
重庆市九龙坡区西彭森迪大道66号(九龙产业集团纪检工作室),邮编:401326
。
三、举报注意事项
根据《中国共产党纪律检查机关控告申诉工作条例》《中华人民共和国监察法》有关规定,检举、控告,申诉人在检举、控告、申诉活动中必须对所检举、控告、申诉的事实的真实性负责,接受调查、询问时应如实提供情况和证据,如有诬陷、制造假证行为,必须承担纪律和法律责任。